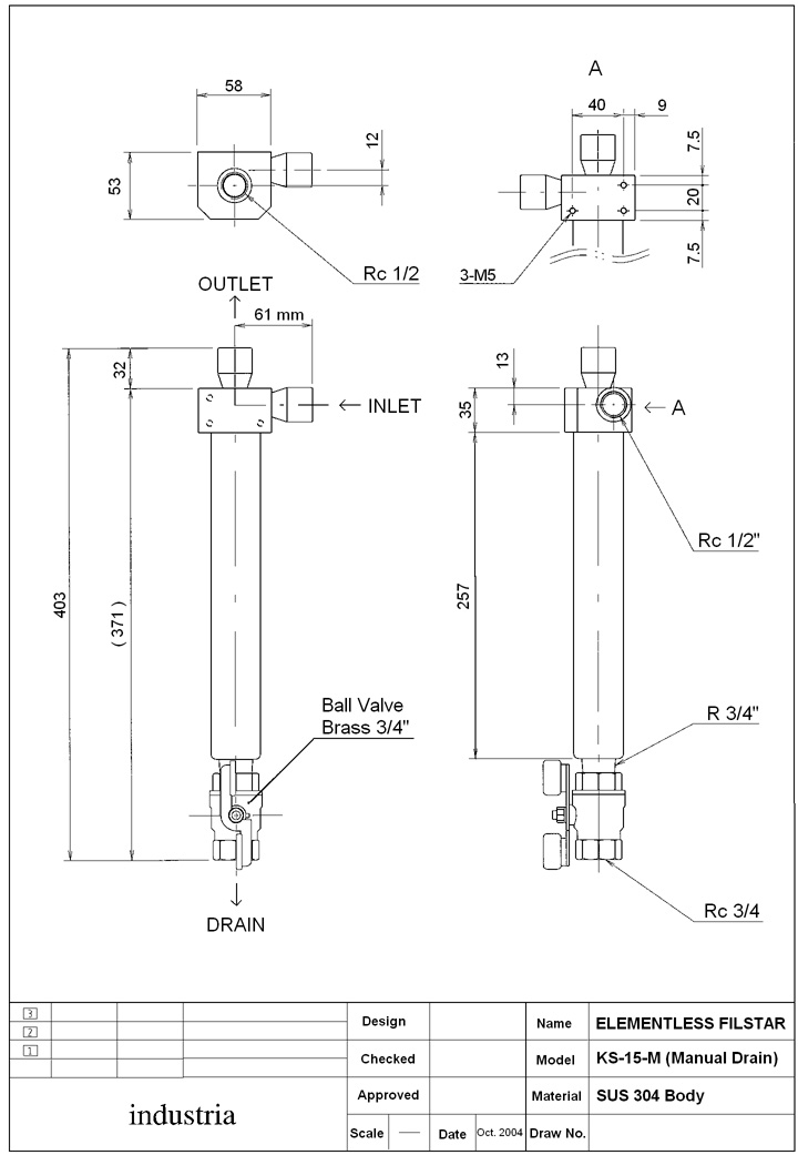
ELEMENTLESS FILSTAR
KS-15-M
(
Manual
Drain Type)